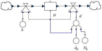
Ein einfaches Beispiel
  
    - Bevölkerungswachstum mit Kapazitätsgrenze:
      
	- Bevökerungsgröße N ändert sich durch Geburten B und
	Tode D (pro Zeit)
 
	- gegeben durch Raten b, d und Kapazität	Nk als
	  
	
 
      
     
    - System-Dynamics-Modell:
      
    
 
    - Festgelegte Kausalität:
      
	- Converter: gibt seine Variable aus
 
	- Flow: gibt den Wert des Flusses aus (nach links und
	rechts)
 
	- Reservoir: Fluss als Eingang (auf beiden
	Seiten)
 
	- grundlegendes Schema von Cellier's Modelica-Bibliothek