Theory-based implementation
    
      - Implementation of version C as probabilistic state space
        model:
        
          - functions are time-dependent (full/half year)
            
              - standard trick: z = (x, s)'
 
              - s = 0/1 at full/half year → s(k+1) = 1 - s(k)
 
            
           
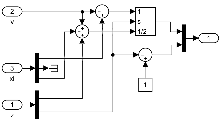
          - define G, H and ξ, e.g.
            
          
 
          - Simulink implementation tedious, but completely
            routine
            
              - replace TimeSwitch by PhaseSwitch using s
 
              - example G(z, v, ξ)
 
              
 
            
           
          - complete school model
            
              - uses Sum instead of TimeSwitch
 
              - has sample time 1/2 everywhere