The triggered RS flip-flop
  
    - Triggered flip-flops
      
	- have an additional input (CLK)
 
	- change state only, when CLK changes from true
	  to false ("falling edge")
 
	
	- modeling in Simulink easy with a Trigger block
 
      
     
    - Implementation in Modelica
      
	- Falling edge block creates "infinitesimal" signal
 
	- used to unlock the data inputs
 
	- versions A/B according to static
	  flip-flop used
 
	
 
      
     
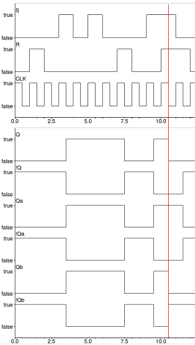
    - Simulation results
      
	- in Simulink (Q, !Q) exactly as expected
 
	
	- in Modelica mostly identical results
 
	
	- different behaviour at t = 10.5 + eps