Gasturbinen in der Praxis
- Geschlossene Anlage:
- Arbeitsmittel läuft um
- Wärme kommt aus zusätzlichem Brennstoffkreislauf
(äußere Wärmezufuhr)
- Vorteil: keine Vermischung von Brennstoff und
Arbeitsmittel →
- billiger Brennstoff möglich
- Betrieb mit beliebigem Gas (etwa mit größerem
κ)
- Druckanpassung
- Nachteil:
- deutlich aufwändiger zu bauen
- Isex-Gasturbine:
- Realisierung des günstigen Ericsson-Prozesses
- Problem:
- Wärmeaustausch in Turbine und Verdichter nicht
isotherm (zu schnell)
- Lösung:
- mehrere Zwischenkühler bzw. -erhitzer
- statt Isotherme mehrere kleine Stücke isobar und
isentrop

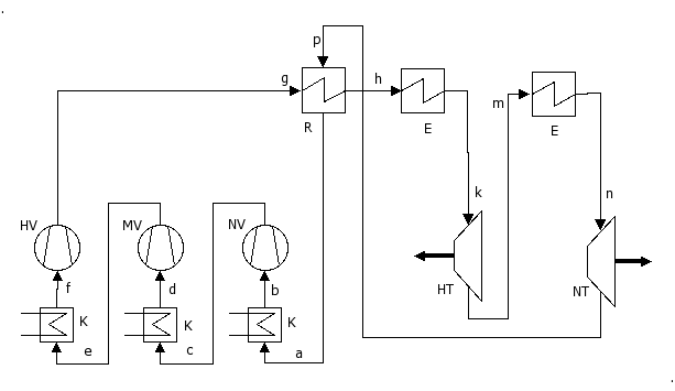
- praktische Ausführung
- zusätzlicher Wärmetauscher (Rekuperator)
- heißes Turbinengas (p → a) erwärmt kühles
Verdichtergas (g → h)
- Aufgaben: