Info-Veranstaltung Simulationstechnik
    Simulation
    
      - Experimentieren mit Modellen von Systemen
 
      -  warum Modell: billiger, schneller, ungefährlicher
        ("Digitaler Zwilling")
 
      - wozu Simulation: System verstehen, System verbessern
        ("Industrie 4.0")
 
      - hier: System-Simulation = komplexe Systeme aus (relativ)
        einfachen Komponenten
 
    
    Simulationstechnik 1 (Simulink)
    
      - Womit wird simuliert:
        
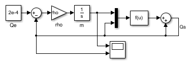
          - Simulink 

 
          - Signalflussmethode
 
          - Grundidee
            
              - Blöcke aus Bibliothek mit Leitungen
                verbinden
 
              - Blöcke haben Ein- und Ausgänge
              
 
              - Leitungen transportieren Signale (Zahlen,
                Vektoren etc.)
 
            
           
          - Vorteil
            
              - weit verbreitet, seit langem Basismethode
 
            
           
          - Nachteil
            
              - Blöcke = Mathematische Operationen, nicht
                Bauteile
 
            
           
        
       
      - Was wollen wir alles simulieren:
        
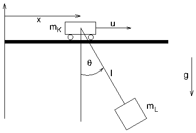
          - Slip-Stick-Schwingungen 

 
          - Laufkatze/Portalkran mit Fuzzy-Regelung  

 
          - einfacher Elektromotor  

 
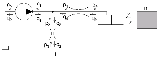
          - hydraulische Systeme  

 
          - Steuerung eines Lasten-Aufzugs  

 
          - Fertigungs-Station  

 
        
       
      - Prüfungsleistung:
        
          - formal: RP/K2/mP
 
          - RP, kleines Simulationsprojekt (aus Liste oder
            selbst) in Gruppen von 2 - 3
 
          - mit Simulink oder ggf. mit einem alternativen
            Programm 
 
          - abzugeben: Modelldateien + Doku
 
          - ggf. alternativ mP (s.u.)
 
        
       
      - Literatur:
        
          - P. Junglas, Praxis der Simulationstechnik
 
        
       
    
    Simulationstechnik 2 (Modelica)
    
      - Womit wird simuliert:
        
          - Modelica + MSL 

 
          - (Cyber) Physical Modeling
 
          - Programme: Dymola (kommerziell), OpenModelica (Open
            Source)
 
          - Grundidee
            
              - Blöcke aus Bibliothek mit Leitungen verbinden
 
              - Blöcke haben physikalische Anschlüsse
               
              - Leitungen transportieren physikalische Größen
                (Kraft, Temperatur, Spannung)
 
            
           
          - Vorteil
            
              - Blöcke = Bauteile (Federn, Widerstände,
                E-Motoren, Pumpen)
               
              - beinhaltet Signalfluss-Bausteine als Teilmenge
               
              - einfache Kopplung von physikalischem Modell und
                Steuerung
 
            
           
          - Nachteil
            
              - noch nicht überall verbreitet, momentan u.a.
                Automobil-/Flugzeugbau
 
            
           
        
       
      - Was wollen wir alles simulieren:
        
          - hydraulische Systeme  

 
          - Slip-Stick-Schwingungen  

 
          - Fahrzeug incl. Fahrer  

 
          - permanenterregter Synchronmotor  

 
          - Roboter  

 
          - mittelalterliche Angriffswaffen  

 
          - Industrieofen mit Regelung  

 
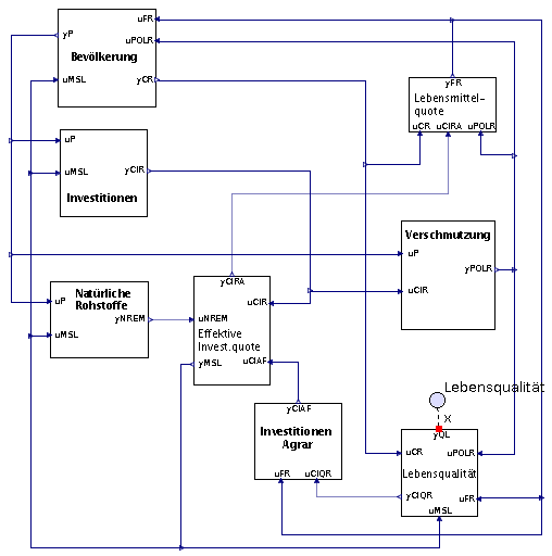
          - die gesamte Welt (Bevölkerung, Wirtschaft und
            Ökologie)  

 
        
       
      - Prüfungsleistung:
        
          - formal: RP/K2/mP
 
          - mP, dazu vier kleine Hausaufgaben (auf Wunsch evtl.
            auch in SimT1)
 
        
       
      - Literatur:
        
          - P. Junglas, Praxis der Simulationstechnik
 
          - P. Fritzson: Introduction to modeling and simulation
            of technical and physical systems with Modelica
 
          - P. Fritzson: Principles of Object-Oriented Modeling
            and Simulation with Modelica 3.3: A Cyber-Physical Approach
 
        
       
    
    Allgemeines
    
      - Was sollte man mitbringen:
        
          - Grundkenntnisse in Matlab (können auch im Semester
            erworben werden)
 
          - Grundkenntnisse in Numerischer Mathematik sind
            nützlich, aber nicht zwingend
 
          - Spaß an der Arbeit mit dem Computer
 
          - Spaß an der Breite der Anwendungen
 
        
       
      - Welches Fach soll ich wählen:
        
          - SimT1 und SimT2 können unabhängig voneinander gehört
            werden
 
          - Inhalte ergänzen sich
 
          - SimT1 ist in vielen Firmen direkt einsetzbar
 
          - SimT2 ist die Zukunft (und Gegenwart in manchen
            Firmen)
 
        
       
      - Studienschwerpunkt "Simulationstechnik" 
        
          - Junglas, Simulationstechnik 1 (6., alle)
 
          - Junglas, Simulationstechnik 2 (7., alle)
 
          - Berendes, Virtual reality (6., alle)
 
          - Horeschi, Konstruktion und Simulation (7., WI/MT)