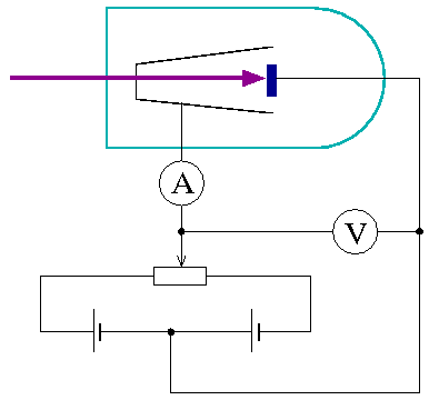
Photo-Effekt
- Vakuum-Fotozelle:
- Metall-Oberfläche (Kathode) im Vakuum wird mit
(kurzwelligem) Licht bestrahlt
- Licht löst Elektronen heraus, fliegen zur Anode
- Zwischen Kathode und Anode wird eine veränderbare
Spannung angelegt
- Strom der an der Anode ankommenden Elektronen wird
gemessen
- im Bild:
- Experiment 1:
- negative Spannung an Anode zum Bremsen der
Elektronen
- Spannung Ustop messen, bei der der Strom
ganz aufhört.
- ergibt kinetische Energie der schnellsten
Elektronen:
- Ustop messen bei Veränderung der
Lichtstärke
- Beobachtung: Ustop (und damit
Ekin) hängen nicht von der Licht-Intensität ab
- klassisches Bild:
- Licht = elektromagnetische Welle
- seine Schwingungen führen zu Oszillationen der (in
den Atomen gebundenen) Elektronen
- Energieübertrag groß genug → Elektronen lösen
sich
- Energietransfer hängt ab von der Frequenz
(Resonanzeffekte) und von der Amplitude der Welle
- Ergebnis von Experiment 1 klassisch nicht zu
verstehen
- Experiment 2:
- wie Experiment 1, aber Frequenz des einfallenden
Lichts wird geändert
- Ergebnis:
- unterhalb einer bestimmten Frequenz werden keine
Elektronen herausgelöst, egal, wie stark das eingestrahlte Licht
ist.
- klassisch nicht zu verstehen: auch wenn
Lichtfrequenz weit weg von einer Resonanz, müsste durch hohe
Amplitude eine Herauslösung erreicht werden.
- Deutung im Photonenbild:
- Grundannahme: Licht besteht aus kleinen Klümpchen
von Energie (Photonen) mit Energie
Ephoton proportional zur Frequenz f:
- mit
- h = 6.626 · 10-34
Js (Plancksches
Wirkungsquant)
- mit Beziehung zwischen Frequenz und Wellenlänge f
λ = c:
- ein Elektron immer durch ein einzelnes Photon
herausgelöst
- dazu bestimmte Energie WA (Austrittsarbeit) nötig
- kinetische Energie eines Elektrons dann:
- Erklärung von Experiment 1:
- Erhöhung der Lichtintensität
→ Erhöhung der Anzahl der Photonen
→ mehr Elektronen werden herausgeschlagen
- Energie eines einzelnen Photons und damit kinetische
Energie der Elektronen ändert sich nicht
- Erklärung von Experiment 2:
- Frequenz des Lichts zu niedrig
→ Energie der Photonen reicht nicht,
→ Elektronen bleiben gebunden
- Erhöhung der Intensität nützt nichts: nicht mehr
Photonen, sondern energiereichere sind nötig.
- Aufgaben: