Forrester's WORLD2 model
- Modeling the world with WORLD2:
- 5 state variables
- size of (human) population P
- capital investment CI
- fraction of capital invested in agriculture CIAF
- amount of natural resources NR
- pollution POL
- additional variables to quantify relationships, e.
g.
- quality of life QL
- per capita food ratio FR
- capital investment ration CIR
- relations between the variables
- plausible equations
- graphical functions based on statistical data
- qualitative graphical functions
- complete model and simulation results described in:
Forrester, World Dynamics (1970)
- attracted great international attention
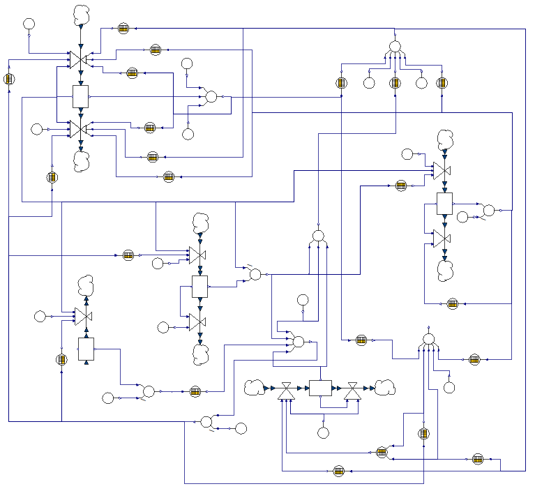
- Complete system dynamics model:
- based on standard components, using only one special
component ECIRConverter
- enhancement in Modelica: introduction of submodels
- simulated time range 1900 - 2100
- parameters adapted to reproduce values of 1970
- results of selected variables
- Consequences:
- lots of criticism, scientifically and political
- further development: much more complex model WORLD3
- qualitatively similar results
- published in "Limits to growth" (1972), still highly
debated
- detailed
discussion of WORLD2, implemented in Vensim